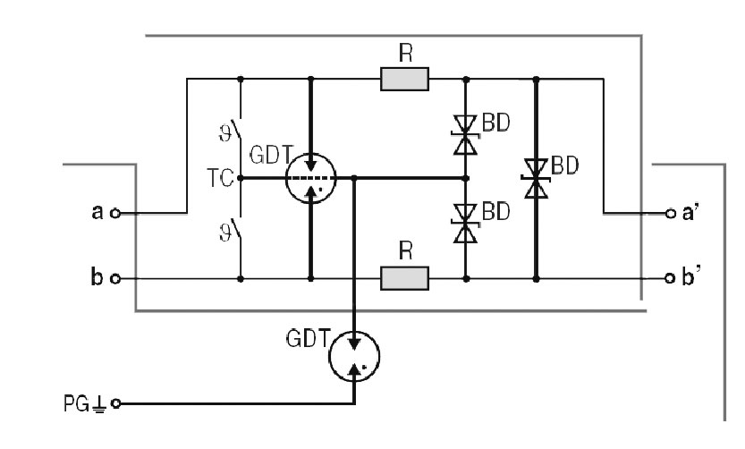
Überspannungsableiter ETITEC SIG EMS-TC 24V 002441707 Obsolet This product is obsolete and does not have a direct substitute, please contact our technical support in order to find a suitable replacement. Spezifikationen Add to comparison Remove from comparison ETI Artikel-Nummer : 002441707 Beschreibung: * ETITEC SIG EMS-TC 24V Klassifizierungsname: Überspannungsableiter DC max continous operating voltage Uc: 28V Typ: T3 In (8/20): 10kA Up - Spannungsschutzpegel (kV): 0.065kV Leckstrom: JA angewandte Technologie: MOV RC: Nein Anzahl der Teilungseinheiten: 1 Funktion: Überspannungsableiter Katalog Gruppe 1: ETITEC SIG Unterlagen 1 Logistische Daten ETIM-Klassifizierung v7.0 Bilder & Diagramme 3 Software & Treiber 1 Stichworte Unterlagen Eplan file Logistische Daten Produkt Produktgewicht 110 g Zolltarif 85363090 Grundverpackung Quantität 1 EAN 3838895488675 Gewicht 0.12 kg Transportverpackung Quantität 12 EAN 3838895488682 Gewicht 1.44 kg Stück pro Palette 6672 ETIM-Klassifizierung Klassifizierung EC001466 Klassifizierungsname Blitzstromableiter für Informations-/MSR-Technik Nennspannung DC 24V Höchste Dauerspannung DC 280V Nennableitstoßstrom (8/20) 10kA Nennlaststrom 1A Schutzpegel 65V Grenzfrequenz 1,4MHz Signalisierung am Gerät optisch Montageart Hutschiene TH35 Anschluss 1 Klemme Mit Fernmeldekontakt Nein Explosionsgeprüfte Ausführung Nein ETIM-Klassifizierung - Version 7.0 Bilder & Diagramme Software & Treiber Die Software wird im vorliegenden Fall ohne jegliche Gewährleistung oder Garantien zur Verfügung gestellt. Der Autor ist nicht verpflichtet, Support, Service, Korrekturen oder Upgrades der freien Softwareprogramme oder Treiber bereitzustellen. Stichworte 002441707 Surge arrester, * ETITEC SIG EMS-TC 24V ETITEC Surge arresters Surge arresters ETITEC SIG ETITEC SIG ETITEC SIG Surge arresters ETITEC Home and residental building protection * ETITEC SIG EMS Function SPD Type T3 Current type AC Rated voltage 24 DCV Size 1 module Number of poles 1 Usage III IEC/VDE DIEC/VDE Max. discharge current Imax, 8/20 20kA Remote signalisation NO IP rating IP20 Mounting DIN rail (top hat rail) 35 mm Catalogue Group ETITEC SIG Installation Home and residental building protection In 8/20 10kA Number of modules 1 Up - Voltage protection level 0,065kV Leakage current YES Applied technology MOV DC max continous operating voltage Uc 28